【实验室介绍】
电能优化管理及智能控制实验室立足于国家的双碳策略,聚焦电力系统智能控制、电力电缆绝缘材料性能优化,微电网调度、新能源发电等领域,开展基础与应用研究。团队近五年先后主持了包括国家青年科学基金项目,广东省自然科学基金面上项目,粤港澳青年人才双向交流项目、广东省教育厅重点领域专项、广东省教育厅青年人才项目10项,承担企业横向开发课题10项,到账金额达到150万元,在国内外学术期刊发表高水平论文15篇,授权发明专利12件。
【成员介绍】
程羽佳 研究方向:高电压与绝缘技术 无机纳米改性 界面性能优化
叶 茂 研究方向:电气软件开发 新能源电力系统安全防御与仿真分析
【主要承担课题项目】
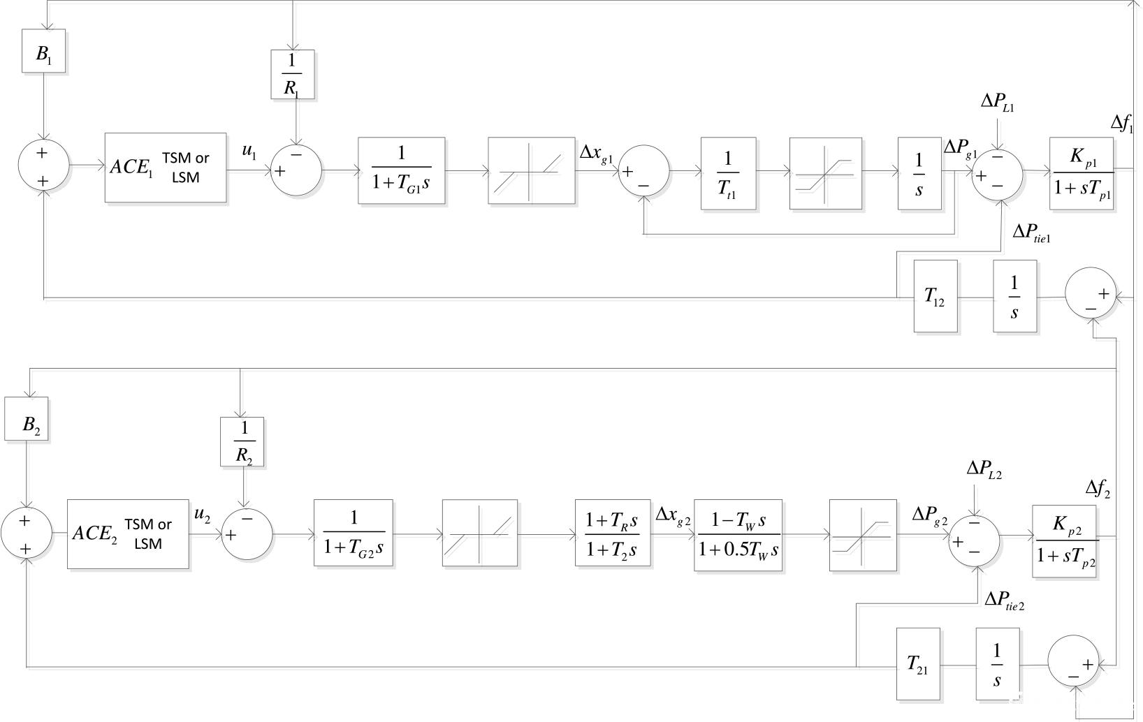
[1] 国家青年科学基金——基于高阶滑模控制方法的互联非线性电力系统负荷频率控制问题研究
[2] 广东省基础与应用基础研究基金委员会——纳米氧化锌/氮化硼共混改性XLPE海缆绝缘材料水树形成机制及抗水树特性研究
[3] 广东省普通高校重点领域专项——基于改进扩展频谱时域反射法的海洋电缆故障点检测定位技术研究
[4] 2023年省级质量工程高等教育教学改革项目——基于PBL的《专业综合创新实践》课程群双碳理念的教学设计
[5] 2022年省级质量工程高等教育教学改革项目——基于CMOSOL仿真结合实践教学的《电机学》课程改革研究
【论文及专利(部分)】

【荣誉展示(部分)】
【科研成果(部分)】

海缆拉伸性能分析

基于强化学习的微电网能源调度策略及控制优化 纳米氮化硼改性农用地埋线绝缘材料水树形成机制

全阶滑模控制在电力系统负荷频率控制中的应用
| © 版权所有:304am永利(中国)集团有限公司-Official Website / 学校地址:广东省中山市石岐区学院路1号 / 邮政编码:528400 网站备案号:粤ICP备05008828号 | |